鑫悦净化XYCO-CFM系列脱硝喷枪主要特性:
1、对液滴尺寸和喷射覆盖面的严格控制使CFM喷嘴能够理想地对炉窑、冷却塔、烟道、干燥机等内的气体进行烟气调质。
2、多级雾化工艺可以使用尽可能少的空气产生极其微小的液滴。
3、细小的液滴,使每升的液体都可以形成更大的表面积,完全吸收,无湿壁湿底。
4、单个喷嘴能够喷出更大流量的水流,从而冷却所需的喷嘴总数得以减少。
5、303、316、和310不锈钢为标准材料,还有哈氏合金材质供选择,以用于更严酷的环境。
6、超大自由畅通通道使水源水质要求更加灵活。
7、持久耐用的部件无需频繁的检修保养,也无需特殊的工具来更换部件。
8、随时可提供轻型的标准长管喷枪(枪体可根据用户要求弯制0°、30°、45°和90°等角度);同时也可为客户定制设计和制造符合严格技术要求的长管喷枪。
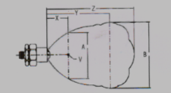
鑫悦净化XYCO-CFM系列脱硝喷枪的覆盖范围:






鑫悦净化XYCO-CFM系列脱硝喷枪流量曲线图:
鑫悦净化脱硝喷枪XYCO-CFM5

鑫悦净化脱硝喷枪XYCO-CFM10

